MT 495-1995 刮板輸送機用緊鏈器
- 發表時間:2022-08-28
- 來源:共立消防
- 人氣:
1 主題內容與適用范圍
本標準規定了刮板輸送機用緊鏈器的型式與參數、技術要求、試驗方法與檢驗規則、標志、包裝、運 輸和儲存。
本標準適用于刮板輸送機、轉載機、刨煤機用緊鏈器(以下稱緊鏈器)。
2 引用標準
GB 191 包裝儲運圖示標志
GB 1239.2 冷卷圓柱螺旋壓縮彈簧技術條件
GB 2828 逐批檢查計數抽樣及抽樣表(適用于連接批的檢查)
GB 5676 一般工程用鑄造碳鋼
GB 5763 汽車用制動器襯片
建標48石棉剎車帶
3 產品型式與參數
3.1 產品型式:
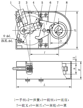
緊鏈器分為三種型式即閘盤式緊鏈器、閘帶式緊鏈器和棘輪式緊鏈器,見圖1、圖2、圖3。

圖1 閘盤緊鏈器

圖2 閘帶緊鏈器

圖3 棘輪緊鏈器
3.2 性能和尺寸參數見表1、表2、表3。
表1 閘盤緊鏈器
配單速電動機 | 配雙速電動機 | 閘塊尺寸 | 聯接尺寸 | 適用電機 功率kW | |||||
閘緊轉矩N - m | 閘盤直徑 D | 閘緊轉矩N - m | 閘盤直徑 D | B | R | r | L±0. 5 | b | |
1200 | 400 | — | — | 126 | 195 | 150 | 180 (218) | 109 | 90、110、 132160 |
1450 | 480 | 1450 | 400 | 90、110、132、 160200 | |||||
1600 | 520 | 1500 | 495 | ||||||
1900 | 630 | 1900 | 625 | 132、160、 200250 | |||||
4600 | 4600 | 200 | 310 | 240 | 295 | 58 | 200、250、315、 375425500 | ||
注:①在適用電機功率范圍內盡量選取小直徑閘盤。
②帶括號的尺寸盡量不選用。
表2 閘帶緊鏈器
閘緊 轉矩 N - m | 制動輪尺寸 | 外形尺寸 | 與減速器二軸端聯接尺寸 | 適用電 機功率 kW | ||||||||
D | d H10 | h d11 | b ±0.0215 | 鍵數 | H 最大 | L 最大 | D1 | d1 | d2 | B | ||
1200 | 190 | 50 | 71 | 16 | 單 | 126 | 315 | 150 | 14 | 36 | 45。 | 11、15、 2230 |
164 | 10 | 40 | 40° | 4055 | ||||||||
1700 | 280 | 70 | 81 | 18 | 雙 | 126 | 375 | 216 | 10 | 40 | 45。 | 75 |
表3 棘輪緊鏈器
間緊 轉矩 N - m | 棘輪尺寸 | 聯接尺寸 | 外形尺寸 | 適用電 機功率 | ||||||||||
D | d H8 | h | b ±0.0215 | 鍵數 | D1 | d1 | d2 | l | B | L | H | B | ||
最大 | ||||||||||||||
350 | 100 | 45 | 62 | 14 | 單 | 144 | 14 | 26 | 147 | 45。 | 315 | 215 | 80 | 1115 2230 |
100 | 55 | 62 | 16 | 雙 | 170 | 14 | 26 | 172 | 450 | 330 | 245 | 105 | ||
4 技術要求
4.1 緊鏈器應符合本標準的要求,并按照經規定程序批準的圖樣和技術文件制造。
4.2 材料:
4.2.1 緊鏈器所使用的材料及外購件應符合國家、行業標準的有關規定,并必須具備合格證或足以證明其合格的文件。
4.2.2 鉗臂用抗拉強度不低于600 N/mm2的材料,也允許用GB 5676中的ZG 270-500或ZG 310-570鑄鋼,不得用鑄鐵件代替。
4.2.3 棘輪、插爪、鉸軸及拉桿應采用抗拉強度不低于600 N/mm2的材料制造。
4.2.4 制動彈簧用機械性能不低于碳素彈簧鋼絲B的材料制造。
以上為標準部分內容,如需看標準全文,請到相關授權網站購買標準正版。
-
IG541混合氣體滅火系統
IG541混合氣體滅火系統:IG-541滅火系統采用的IG-541混合氣體滅火劑是由大氣層中的氮氣(N2)、氬氣(Ar)和二氧化碳(CO2)三種氣體分別以52%、40%、8%的比例混合而成的一種滅火劑 -
二氧化碳氣體滅火系統
二氧化碳氣體滅火系統:二氧化碳氣體滅火系統由瓶架、滅火劑瓶組、泄漏檢測裝置、容器閥、金屬軟管、單向閥(滅火劑管)、集流管、安全泄漏裝置、選擇閥、信號反饋裝置、滅火劑輸送管、噴嘴、驅動氣體瓶組、電磁驅動 -
七氟丙烷滅火系統
七氟丙烷(HFC—227ea)滅火系統是一種高效能的滅火設備,其滅火劑HFC—ea是一種無色、無味、低毒性、絕緣性好、無二次污染的氣體,對大氣臭氧層的耗損潛能值(ODP)為零,是鹵代烷1211、130 -
手提式干粉滅火器
手提式干粉滅火器適滅火時,可手提或肩扛滅火器快速奔赴火場,在距燃燒處5米左右,放下滅火器。如在室外,應選擇在上風方向噴射。使用的干粉滅火器若是外掛式儲壓式的,操作者應一手緊握噴槍、另一手提起儲氣瓶上的


