GB/T 10707-2008 橡膠燃燒性能的測定
- 發表時間:2022-11-24
- 來源:共立消防
- 人氣:
1 范圍
本標準規定了在實驗室環境下測定橡膠燃燒性能的兩種方法:氧指數法(方法A)和垂直燃燒法(方法B)。
本標準適用于在實驗室環境下評定橡膠材料的燃燒性能及阻燃性能,不適用于評定實際使用條件下橡膠材料的著火危險性。
2 規范性引用文件
下列文件中的條款通過本標準的引用而成為本標準的條款。凡是注日期的引用文件,其隨后所有的修改單(不包括勘誤的內容)或修訂版均不適用于本標準,然而,鼓勵根據本標準達成協議的各方研究是否可使用這些文件的最新版本。凡是不注日期的引用文件,其最新版本適用于本標準。
GB/T 2941-2006 橡膠物理試驗方法試樣制備和調節通用程序(ISO 23529:2004,IDT)
GB/T 3863 工業用氧
GB/T 3864 工業氮
HG/T 3095 橡膠火焰試驗術語
3 術語和定義
HG/T 3095確立的以及下列術語和定義適用于本標準。
3.1
氧指數 oxygen index
在規定的試驗條件下,在23℃±2℃的氧和氮混合氣流中,維持橡膠材料燃燒的最低氧濃度(用體積分數表示)。
4 方法A-氧指數法
4.1 試驗原理
試樣垂直地支撐在一個透明的燃燒筒內,燃燒筒內有向上流動的氧和氮的混合氣體,點燃試樣的上端,然后觀察燃燒現象,并與規定的限度值比較燃燒持續時間或燃燒長度。通過在不同的氧濃度中試驗,可測得維持材料燃燒的最低氧濃度。試驗的試樣中要有50%超過規定的燃燒持續時間或燃燒長度。
4.2 試驗裝置
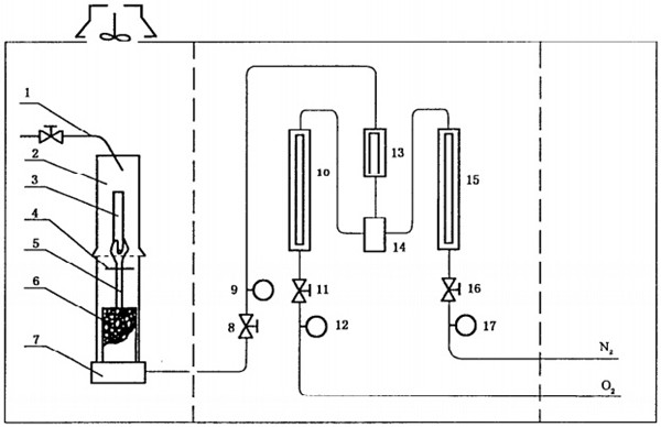
試驗裝置見圖1。
4.2.1 燃燒筒:一只能直立于底座之上的耐熱透明玻璃筒,其內徑為75mm,總高度為450mm,以保證筒內的氣流速度為40mm/s±10mm/s。筒內底座上裝有試樣支架,并有引入氧氮混合氣體的導管,試樣支架的下部應裝一片金屬網。燃燒筒底部應填充直徑為3mm~5mm的玻璃球,填充高度80mm~100mm。
注:也可以采用其他尺寸的燃燒筒,但燃燒筒尺寸不同所得出的氧指數的值可能會有差異,宜在試驗報告中注明。
4.2.2 試樣支架:在燃燒筒軸心位置豎直地夾持試樣的夾子。
4.2.3 氣源:氧氣應符合GB/T 3863的要求;氮氣應符合GB/T 3864的要求。
4.2.4 氣體測量和控制系統:由壓力表、調節閥、轉子流量計(氧、氮轉子流量計的最小刻度為0.05 L/min)等組成。

1——點火器;
2——燃燒簡;
3——試樣;
4——金屬網;
5——試樣支架;
6——玻璃球;
7——底座;
8——混合氣體調節閥;
9——混合氣體壓力表;
10——氧氣流量計;
11——氧氣調節閥;
12——氧氣壓力表;
13——混合氣體流量計;
14——氧氮混合器;
15——氮氣流量計;
16——氮氣調節閥;
17——氮氣壓力表。
圖1 試驗裝置示意圖
4.2.5 點火器:一根仲入燃燒筒內點燃試樣的管子,其噴嘴直徑為2mm±1mm。燃氣可根據情況選用丙烷、丁烷、液化石油氣、天然氣等。燃燒時從噴嘴垂直向下噴出的火焰長度為16mm±4mm。
4.2.6 計時器:最小刻度值為0.1s的秒表或其他相當的計時裝置。
4.2.7 測長量具:最小刻度值為1mm不銹鋼直尺。
4.2.8 通風系統:為排除試驗中產生的煙霧和有害氣體,試驗應在通風柜內進行,但試驗過程中不能開抽風機,以免影響燃燒筒內的氣流速度。
4.3 試樣
4.3.1 試樣尺寸為長80 mm~150 mm,寬6.5 mm±0.5mm,厚3mm±0.25 mm。
4.3.2 試樣的制備和調節應按GB/T 2941-2006的要求進行。
4.3.3 為了便于測量試樣的燃燒長度,在距試樣點火端50mm處作一標記。
4.3.4 對已知氧指數值相差在±2范圍內的橡膠材料,應準備15個試樣;對未知氧指數或具有不穩定燃燒特性的橡膠材料,準備15個~30個試樣。
4.4 試驗步驟
4.4.1 檢查試驗裝置,確保完好。燃燒筒應安放垂直,在筒中央的試樣支架上垂直夾好試樣,試樣頂端距離筒口至少100mm。
4.4.2 根據經驗或試樣在空氣中燃燒的情況,估計開始試驗時的氧濃度。試樣在空氣中迅速燃燒,氧濃度(體積分數)估計為18%;在空氣中緩慢或不穩定燃燒,估計為21%;在空氣中不著火,至少估計為25%。氧濃度的計算公式見附錄A。
4.4.3 按4.4.2確定氧濃度后,調好氧氮混合氣體流量(氧氣和氮氣流量參見附錄B),并讓其在燃燒筒中至少流動30s,以除去燃燒筒中的空氣。每個試樣試驗前都應重復此過程,以保證燃燒筒中的氣流量在試驗的點火和燃燒過程中不發生變化。在點火和燃燒過程中,不應改變氣流速度和氧氮氣體濃度。
4.4.4 點燃點火器,將火焰調到規定的長度,把點火器噴嘴伸人燃燒筒內。讓火焰充分接觸試樣頂端表面,但不能與側面接觸。施加火焰時間不超過30s,其間每隔5s移開點火器觀察一次,看試樣是否被點燃。如果試樣整個頂端面都燃燒起來,就認為試樣已被點燃,立即開始計時,或測量燃燒長度。
4.4.5 燃燒特性按下面要求評定:
4.4.5.1 若試樣燃燒時間不到180s或燃燒不到50mm標記處火焰白熄,記作特征“0”,并記錄此時的燃燒時間和燃燒長度。
4.4.5.2 若試樣燃燒時間超過180s或燃燒超過50mm標記處,記作特征“x”,并將試樣熄滅。
4.4.5.3 如有熔滴、結炭、不穩定燃燒、陰燃等現象,也作為燃燒特征加以記錄。
4.4.6 為繼續試驗需要選擇下一個氧濃度。應按這樣的原則來選擇氧濃度:若得到“0”特征,應增加氧濃度;若得到“x”特征,應降低氧濃度。
4.4.7 用適當的級差改變氧濃度,重復4.4.4~4.4.6的操作,直到有一對“0”和“x”特征的氧濃度相差小于或等于1。這兩個相反的特征不一定是連續出現的(參見附錄C中C.1),“0”特征的氧濃度不一定比“x”特征的低。用這一對特征中“0”的相應氧濃度作為初始氧濃度。
4.4.8 用由4.4.7得到的初始氧濃度,重復4.4.4~4.4.6的操作,試驗1個試樣,記錄所用的氧濃度和特征作為第一個結果。
4.4.9 取氧濃度級差d=0.2%,重復4.4.4~4.4.6的操作,直到得出與第一個結果相反的特征為止。記錄這些特征和相應的氧濃度。
4.4.10 保持d=0.2%,重復4.4.4~4.4.6的操作,再試驗4個試樣,記錄每個試樣所用的氧濃度及其特征,并指定用于最后1個試樣的氧濃度為最終氧濃度c。將這4個特征和4.4.9中得到的最后1個特征排列到一起,以便確定k值。
4.4.11 計算最后6個試樣所用的氧濃度(包括cf)的估計標準差σ(見4.5.3),如果下列關系成立:
2/3σ<d<3/2σ
則按4.5.1計算的氧指數結果可信,否則:
若d<2/30,增加d值,重復4.4.9~4.4.11的操作,到條件滿足為止;
若d>3/20,當d-0.2%,認為氧指數結果可信。但當d>0.2%,則減少d值,重復4.4.0-4.4.11的操作,到條件滿足為止。
4.5 結果的計算
4.5.1 氧指數(OI)
氧指數(OD)的計算見公式(1):
OI=cf + kd (1)
式中:
OI——用體積分數表示的氧指數,計算中保留兩位小數,報告中只保留一位小數;
cf——用體積分數表示的最終氧濃度,保留一位小數;
k——系數,確定方法見4.5.2;
d——用體積分數表示的氧濃度級差,保留一位小數。
以上為標準部分內容,如需看標準全文,請到相關授權網站購買標準正版。
-
IG541混合氣體滅火系統
IG541混合氣體滅火系統:IG-541滅火系統采用的IG-541混合氣體滅火劑是由大氣層中的氮氣(N2)、氬氣(Ar)和二氧化碳(CO2)三種氣體分別以52%、40%、8%的比例混合而成的一種滅火劑 -
二氧化碳氣體滅火系統
二氧化碳氣體滅火系統:二氧化碳氣體滅火系統由瓶架、滅火劑瓶組、泄漏檢測裝置、容器閥、金屬軟管、單向閥(滅火劑管)、集流管、安全泄漏裝置、選擇閥、信號反饋裝置、滅火劑輸送管、噴嘴、驅動氣體瓶組、電磁驅動 -
七氟丙烷滅火系統
七氟丙烷(HFC—227ea)滅火系統是一種高效能的滅火設備,其滅火劑HFC—ea是一種無色、無味、低毒性、絕緣性好、無二次污染的氣體,對大氣臭氧層的耗損潛能值(ODP)為零,是鹵代烷1211、130 -
手提式干粉滅火器
手提式干粉滅火器適滅火時,可手提或肩扛滅火器快速奔赴火場,在距燃燒處5米左右,放下滅火器。如在室外,應選擇在上風方向噴射。使用的干粉滅火器若是外掛式儲壓式的,操作者應一手緊握噴槍、另一手提起儲氣瓶上的


