GB/T 11785-2005 鋪地材料的燃燒性能測定 輻射熱源法
- 發表時間:2022-11-25
- 來源:共立消防
- 人氣:
1 范圍
本標準規定了評定鋪地材料燃燒性能的方法。該方法是在試驗燃燒箱中,用小火焰點燃水平放置并暴露于傾斜的熱輻射場中的鋪地材料,評估其火焰傳播能力。
本方法適用于各種鋪地材料,如:紡織地毯、軟木板、木板、橡膠板和塑料地板及地板噴涂材料。其結果可反映出鋪地材料(包括基材)的燃燒性能。背襯材料、底層材料或者鋪地材料其他方面的改變都可能影響試驗結果。
本標準適用于測試和描述在受控的試驗室條件下鋪地材料的燃燒性能。它不是單獨用來描述和評估鋪地材料在實際火災條件下的火災危險性的方法。
附錄B給出了本試驗方法準確性的驗證情況。
2 規范性引用文件
下列文件中的條款通過本標準的引用而成為本標準的條款。凡是注日期的引用文件,其隨后所有的修改單(不包括勘誤的內容)或修訂版均不適用于本標準,然而,鼓勵根據本標準達成協議的各方研究是否可使用這些文件的最新版本。凡是不注日期的引用文件,其最新版本適用于本標準。
EN 13238 建筑制品燃燒性能試驗 狀態調節程序和選取基材的一般規定
3 術語及定義
下列術語和定義適用于本標準。
3.1
輻射通量(kW/m2)heat flux(kW/m2)
單位面積的入射熱,包括輻射熱通量和對流熱通量。
3.2
熄滅時的臨界輻射通量(CHF) critical heat flux at extinguishment(CHF)
試件表面火焰停止傳播并熄滅的位置所對應的輻射通量(kW/m2)。
3.3
X分鐘的輻射通量(HF-X) heat flux at X min(HF-X)
試驗開始x分鐘時,試件上火焰傳播最遠距離處所對應的輻射通量(kW/m2)。
3.4
臨界輻射通量 critical heat flux
火焰熄滅處的輻射通量(CHF)或試驗30min時火焰傳播到的最遠位置處對應的輻射通量(HF-30),兩者中的最低值(即火焰30 min內傳播的最遠距離處所對應的輻射通量)。
3.5
輻射通量分布曲線圖 flux profile
輻射板表面自零點起各點的距離與輻射通量對應的關系曲線。
輻射通量曲線中的零點對應于試件夾具熱端的內邊緣。
3.6
持續火焰 sustained flaming
試件表面或上方出現的持續有焰燃燒超過4s的火焰。
3.7
火焰傳播的距離 distance of flame spread
在規定的時間內,持續火焰沿著試件長度方向傳播的最遠距離。
3.8
鋪地材料 flooring
鋪設在地面的上表面,由背襯材料、隨附的襯墊、中墊和/或粘結劑一起構成的表面裝飾層。
3.9
基材 substrate
直接使用于產品下面并滿足相應要求的材料。對鋪地材料而言,就是指地面(地面上的鋪設物)或代表地面的材料。
4 試驗裝置
4.1 試驗裝置必須放在離墻和天花板至少0.4m的地方,圖2到圖5給出了裝置的尺寸。試驗箱由厚度(13±1)mm、標稱密度650kg/m3的硅酸鈣板和尺寸為(110±10)mmx(1100±100)mm的防火玻璃構成,防火玻璃安裝在箱體前面,以便在試驗過程中可以觀察到整個試件的長度,試驗箱的外面可以安裝金屬保護層。在觀察窗口下方,安裝一個可緊密關閉的門,由此能讓試件平臺移入或移出。
從試件夾具內邊緣起,試件兩側應分別安裝刻度間隔為50mm和10mm的鋼尺。
4.2 試驗箱下面由可滑動平臺構成,它能嚴格地保證試件夾具處于固定的水平位置(圖1)。在試驗箱和試件夾具之間總的空氣流通面積應是(0.23±0.03)m2,且平均分配于試件長邊的兩邊。

1——照明裝置;
2——排煙管道;
3——光接收器;
4——煙罩;
5——試驗箱;
6——輻射板;
7——點火器噴出的引燃焰;
8——鋼尺;
9——試件和試件夾具連同滑動平臺;
10——試驗箱下部的空氣入口。
圖1 試驗裝置透視圖
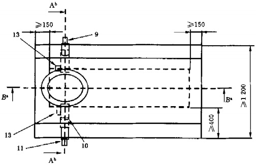
單位為毫米


1——排煙管道;
2——煙罩;
3——試驗箱;
4——輻射板;
5——試件及試件夾具;
6——觀察窗口;
7——試件進出門;
8——輻射高溫計;
9——照明裝置;
10——校準濾光片槽;
11——光接收器;
12——箱體煙道;
13——凈化空氣供給管。
a 圖5為B-B剖視圖。
b 圖4為A-A剖視圖。
圖2 實驗裝置正視及俯視圖
以上為標準部分內容,如需看標準全文,請到相關授權網站購買標準正版。
-
IG541混合氣體滅火系統
IG541混合氣體滅火系統:IG-541滅火系統采用的IG-541混合氣體滅火劑是由大氣層中的氮氣(N2)、氬氣(Ar)和二氧化碳(CO2)三種氣體分別以52%、40%、8%的比例混合而成的一種滅火劑 -
二氧化碳氣體滅火系統
二氧化碳氣體滅火系統:二氧化碳氣體滅火系統由瓶架、滅火劑瓶組、泄漏檢測裝置、容器閥、金屬軟管、單向閥(滅火劑管)、集流管、安全泄漏裝置、選擇閥、信號反饋裝置、滅火劑輸送管、噴嘴、驅動氣體瓶組、電磁驅動 -
七氟丙烷滅火系統
七氟丙烷(HFC—227ea)滅火系統是一種高效能的滅火設備,其滅火劑HFC—ea是一種無色、無味、低毒性、絕緣性好、無二次污染的氣體,對大氣臭氧層的耗損潛能值(ODP)為零,是鹵代烷1211、130 -
手提式干粉滅火器
手提式干粉滅火器適滅火時,可手提或肩扛滅火器快速奔赴火場,在距燃燒處5米左右,放下滅火器。如在室外,應選擇在上風方向噴射。使用的干粉滅火器若是外掛式儲壓式的,操作者應一手緊握噴槍、另一手提起儲氣瓶上的


